插接式封闭母线槽
编辑:admin 浏览: 添加时间:2015-07-23 07:59
1 K8凯发插接式母线槽应用
在母线槽供电过程中,再有供电设备需要电源的位置,可以留有馈电口(插接口),通过插入插接箱,就可以把电源从插接箱内引出到用电设备端。在母线槽上可以安装多个插接箱,插接箱的数量和位置是根据用户图纸设计的。下图是母线槽系统的一个应用实例,通过下图,可以看清楚母线系统是如何工作,如何布局输配电源的。
2 封闭式插接母线槽安装指南
安装前检查: 根据清单检查是否完整,母线槽有没有明显的损坏;配套的支架螺栓数量;对每节插接母线槽进行绝缘测量,测量绝缘电阻。
安装顺序: 首先检查接头没有问题,把两节母线端头对齐靠近,把侧板端头薄膜撕去,对照下图图示安装,用螺栓紧固,隔板依次如图插好紧固两端的螺栓。
安装注意:必须按照图纸顺序序号进行连接;如吊装过程,一定要用硬纸板垫着,安装过程中要边安装边测量绝缘情况;连接终端要做防水防尘处理,直到全部安装完毕; 并排安装插接母线槽时,要保持15公分的间距,如有插接箱,要保证插接箱之间5公分以上间距;母线槽安装穿过楼板时其接头中间要距离楼板和墙壁距离30公分以上;垂直安装的时候要注意安装伸缩节,一般超过90米就需要安装; 母线槽在垂直安装一定要保证垂直度,如果是水平安装,距离地面的高度要不小雨2.2米; 吊架直接的距离为2米,大跨度母线槽为6米.
3 封闭式插接母线槽规格参数
4 插接式母线槽厂家
5 插接式母线槽价格
插接式母线槽价格与其它通用母线槽价格一样,价格受规格,形式,辅料,原材料价格等影响,一般来说,估算价格(仅供估算参考)为规格乘以1.2,得出的数值为估价。
6 母线槽插接箱
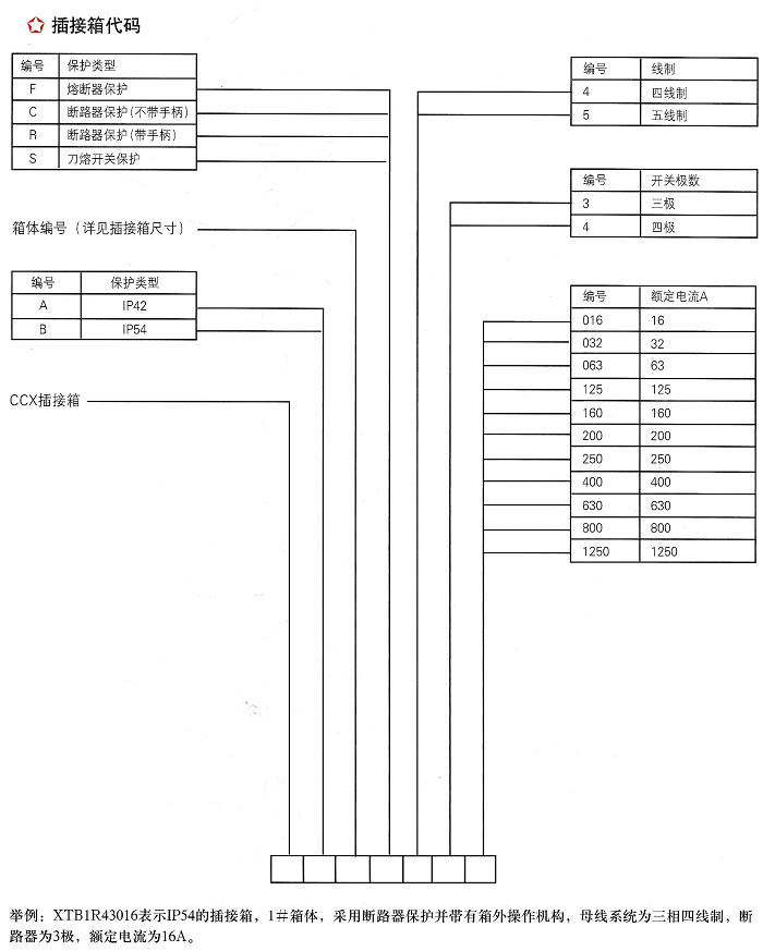
插接式封闭(空气)母线槽的馈电口,就是用来插接插接箱使用的,插接箱可以输出电流60A-630A,插接箱在插接的过程中,最先插入的是pe端,拔出正好相反,pe最后断开,这样设计的好处是始终保持接地,插接箱可以带电插拔。插接箱内的电子元件由用户选择不同品牌产品规格。插接箱内有断路器,,熔断器,刀熔开关等三种保护措施,另外为了避免插入母线的时候错相,插接箱都带有定位设计,可以避免错相。

母线槽插接箱代码
//csnmsc.com/
相关资讯